• MARINE VENTILATION EQUIPMENT 0077 MARINE VENTILATION EQUIPMENT 0077 MARINE VENTILATION EQUIPMENT 0077 MARINE VENTILATION EQUIPMENT 0077
    HVG MARINE VENTILATION EQUIPMENT 0077

    HVG MARINE VENTILATION EQUIPMENT 0077: CSL Water-drive Marine Centrifugal Fan

    General :

    CSL series centrifugal fans, this series enjoys high anti-explosive grades and is capable of directly removing or ducting flammable and explosive gaseous mixture or steam as well as those poisonous or harmful gases, being important system equipment for the oil tanker and chemical vessels.

    Applicable conditions :

    • For palaces where there are explosive grade IIB and IIC and group from T4 to T6.
    • Ambient temperatures: -25℃~55℃
    • Relative humidity of the air:≤95%
    • Cyclical vacillation:±22.5℃~45℃
    • Sustained horizontal tilting:±15℃
    • Sustained vertical tilting:±10℃
    • Vibration: existence
    • Shock: existence

    Model Explanation :

    Structure :

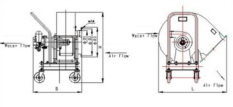
    Technical specification:

    • Performance Parameter:
    Type
    Volume
    Static
    Water pressure
    Water donsumption
    D1
    D2
    D3
    L
    B
    H
    n-d
    Weight kg
    CSL-240
    2000-5000
    920-1500
    0.2-0.5
    34-55
    220
    250
    280
    585
    404
    635
    6-¢10
    55
    CSL-260
    3000-60000
    1000-1500
    0.2-0.5
    33-59
    220
    250
    280
    645
    546
    642
    6-¢10
    60