• MARINE VENTILATION EQUIPMENT 0072 MARINE VENTILATION EQUIPMENT 0072
    HVG MARINE VENTILATION EQUIPMENT 0072

    HVG MARINE VENTILATION EQUIPMENT 0072: CZF Marine Exhaust Blower-Axial Fan

    General

    CZF series marine axial flow fans (the fan) are new-type and energy save, and low-noise fans. They are suitable for chamber ventilation and also applicable for other suitable places.

    Features

    CZF fans have compact structure, small size ,light weight , less power consumption, reverse, stable run, shock resistance and vibration resistance.

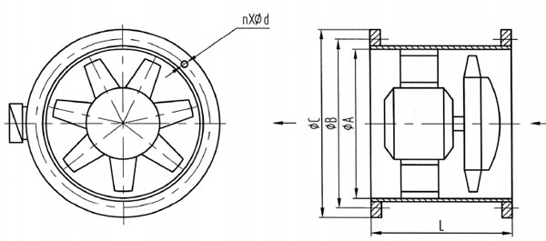
    Model Explanation

    Structure

    The impeller is made of anticorrosive aluminium alloy, it is dynamically balanced to ensure the fan having reliable anticorrosive property and operating smoothly.
    The fan casing is welded by steel plate with flanges for connection with duct at both sides by bolts. And the surface is fully treated by anticorrosive painting. As desired, the housing can either be made into an integral one or an open type, the impeller and the motor are fixed on the movable half of the housing so as to bring convenience for on the site repair and the replacement of its spare parts.
    The fan is manufactured with a built-in motor structure. The impeller is directly mounted on the motor shaft.
    Take a front view from the motor side, the impeller turns clockwise, it also can turn counter clockwise. In such case, fan capacity should be not less than 60 percent of normal rating.
    The fan can be match with AC380V, 415V, 50HZ or 440V, 460V, 480V, 600HZ marine AC motor.

    Technical specification:

    • Performance Parameter

    (From CZF-30 to CZF-40 for Reference)

    Model

    Flow rate m3/h

    Total pressure pa (mmH2O)

    Static pressure pa (m H2O)

    Speed r/min

    Model

    Model

    Weight kg

    Hz Freq

    Power Kw

    model

    A

    B

    C

    L

    T

    n

    d

    CZF-30A

    960 1200 1500 1700 2000

    330(33) 310(32) 270(28) 230(24) 180(19)

    320(33) 295(31) 250(26) 200(21) 140(15)

    2920

    50

    0.75

    Y801-2-H

    300

    345

    375

    400

    8

    8

    12

    50

    1200 1500 2100 2400

    490(50) 440(45) 380(39) 310(32) 240(25)

    470(48) 120(43) 350(36) 270(28) 180 (195)

    3500

    60

    0.75

    Y801-2-H

    CZF-35A

    900 960 1080 1140 1200

    160(17) 150(16) 130(14) 121(13) 110(12)

    150(16) 140(15) 125(13) 115(12) 105(11)

    1460

    50

    0.25

    Y711-4-H

    350

    395

    425

    450

    8

    8

    12

    60

    900 1200 1500 1800

    250(26) 210(22) 160(17) 120(13)

    240(25) 200(21) 150(16) 250(26)

    1750

    60

    0.25

    Y711-4-H

    CZF-35B

    1500 1800 2100 2400 2700

    480(49) 420(43) 390(40) 330(34) 290(30)

    470(48) 400(41) 370(38) 300(31) 250(26)

    2920

    50

    0.75

    Y801-2-H

    70

    1800 2100 2400 3000 3600

    700(71) 640(65) 590(60) 460(47) 320(33)

    680(69) 620(63) 560(57) 410(42) 250(26)

    3500

    60

    1.1

    Y802-2-H

    CZF-40A

    2160 2400 2700 3000

    180(19) 160(17) 150(16) 140(15)

    160(17) 145(15) 140(14) 110(12)

    1460

    50

    0.55

    Y801-4-H

    400

    445

    475

    500

    8

    12

    12

    65

    2400 2700 3000 3300 3600 3900

    270(28) 240(25) 230(24) 200(21) 180(19) 165(17)

    250(26) 220(23) 200(21) 170(18) 140(15) 120(13)

    1750

    60

    0.55

    Y801-4-H