• MOORING EQUIPMENT 0137 MOORING EQUIPMENT 0137
    HVG MARINE MOORING EQUIPMENT 0137

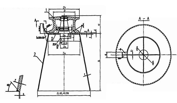
    HVG MARINE MOORING EQUIPMENT 0137: Cleat Fairlead with Single Roller

    Its weld and surface is smooth and uniform. The fairlead roller is flexible to turn. The surface of roller is painted asphalt. All our fairleads get the certificate of quality. If you’re interested in our fairlead, please feel free to contact us.

    Specification:

    • Material: Steel (GB712)
    • Roller No.: Single Roller
    • Roller Diameters: 150mm~450mm
    • Roller Weight: 24.8kg~310.0kg
    • Base Weight: 129.0kg~452.0kg
    • Certificate: CCS, ABS, BV, LR, NK, RINA

    Drawing:

    Technical specification:

    • Technical specification

    Unit:mm

    Roller Dia.

    D

    Max. Dia. Of Applicable Ropes(For Reference)

    Dimensions(mm)

    Weight

    kg

    Synthetic Fiber Rope

    Hemp Rope

    Steel Wire (GB/T 8918) Tensile Strength 1570MPa

    a

    D1

    D2

    D3

    D4

    H

    H1

    L

    S

    t

    t1

    Fairlead Roller

    Pedestal

    6×24

    6×37

    150

    32

    45

    16~18

    14~16

    60

    240

    90

    85

    264

    154

    30

    75

    5

    12

    8

    24.8

    129

    200

    40

    55

    22

    20

    +0

    310

    115

    110

    338

    186

    30

    85

    5

    14

    10

    49.3

    178

    250

    45

    65

    24

    24

    80

    380

    135

    130

    408

    230

    35

    100

    6

    14

    10

    92

    207

    300

    50

    70

    30

    28

    80

    440

    155

    150

    472

    255

    35

    100

    7

    16

    12

    127

    265

    350

    55

    75

    38

    34

    80

    500

    175

    170

    536

    271

    35

    100

    7

    18

    14

    168

    332

    400

    65

    85

    40~42

    38~40

    100

    560

    185

    180

    600

    307

    40

    100

    7

    20

    16

    252.5

    401.3

    450

    80

    44

    42~44

    100

    630

    210

    205

    670

    316

    40

    120

    7

    20

    16

    310

    452

    Note: the pedestal weight means the weight when the base height is h=1000mm.