• VENTILATION EQUIPMENT 0066 VENTILATION EQUIPMENT 0066
    HVG MARINE VENTILATION EQUIPMENT 0066

    HVG MARINE VENTILATION EQUIPMENT 0066: Quạt hút chống cháy nổ hàng hải CBF 

    Ứng dụng:

    • Có thể được sử dụng trong các khu vực nguy hiểm: Khu vực 1 và Khu vực 2
    • Có thể được sử dụng trong môi trường khí dễ nổ thuộc Loại ⅡA, ⅡB và ⅡC nơi phân loại nhiệt độ là T1-T4

    Đặc trưng:

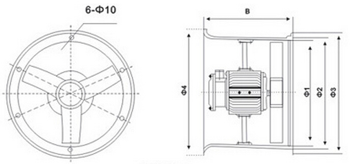
    • 1. Quạt trần chống cháy nổ bao gồm động cơ Ex, cánh quạt và ống hình trụ, v.v.
    • 2. Ống gió của quạt hướng trục phòng nổ được hình thành bằng cách hàn thép tấm chất lượng, cánh quạt được đúc bằng hợp kim nhôm và bề mặt phun nhựa tĩnh điện cao áp.
    • 3. Theo yêu cầu của người sử dụng: cách lắp đặt là: kiểu âm tường, kiểu ống. loại giá đỡ, loại cố định.
    • 4. Hệ thống dây dẫn hoặc dây cáp.

    Giải thích mô hình

    Kết cấu

    Technical specification:

    • Performance Parameter

    Model No.

    Impeller dia(mm)

    Wind

    (m3/h)

    Power (W)

    Main-role rotary No. (r/min)

    CBF-300

    300

    2280

    180

    1450

    CBF-400

    400

    2880

    370

    1450

    CBF-500

    500

    5700

    550

    1450

    CBF-600

    600

    8700

    750

    1450