• VENTILATION EQUIPMENT 0058
    HVG MARINE VENTILATION EQUIPMENT 0058

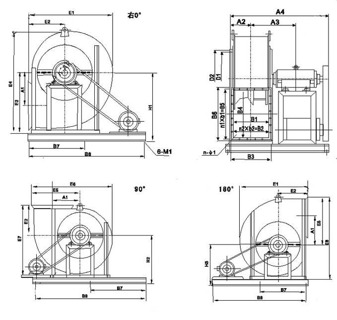
    HVG MARINE VENTILATION EQUIPMENT 0058: 4-72 Quạt ly tâm áp suất cao

    Các ứng dụng :

    Quạt ly tâm loại 4-72 dùng cho các nhà máy nói chung và các tòa nhà lớn với hệ thống thông gió trong nhà, không khí và các phương tiện giao thông khác không tự phát, không gây hại cho cơ thể con người, không ăn mòn thép khí. Quạt B4-72 có thể được sử dụng thông gió khí dễ cháy dễ bay hơi. Khí không được phép trong các chất nhớt có chứa các hạt bụi và cứng, không quá 150 mg / m 3.
    Quạt B4-72 của hiệu suất và lựa chọn của 4-72 và phù hợp với kích thước của nền tảng, theo sự lựa chọn của họ. Quạt có cấu trúc cơ bản cùng loại với 4-72, lựa chọn động cơ và dòng Y Series YB tương ứng.

    Đặc trưng :

    Không khí hoạt động tốt, hiệu quả cao và hoạt động trơn tru.

    Kết cấu :

    Technical specification:

    • Performance Parameter :
    SIZE(№)
    POWER(kW)
    SPEED(r/min)
    AIR FLOW RATE(m3/h)
    PRESSURE(Pa)
    2.8A
    1.5
    2900
    1130~2356
    994~600
    0.75
    1400
    688~1210
    214~102
    3.2A
    2.2
    2900
    1681~3518
    1300~782
    1.1
    1450
    843~1758
    324~198
    3.6A
    3
    2900
    2661~5268
    1578~980
    1.1
    1450
    1338~2633
    393~248
    4A
    5.5
    2900
    4018~7418
    2014~1310
    1.1
    1450
    2000~3700
    500~339
    4.5A
    7.5
    2900
    5711~10568
    2555~1683
    1.1
    1450
    2866~5280
    630~416
    5A
    15
    2900
    7718~15450
    3180~2010
    2.2
    1450
    3865~7738
    790~500
    6A
    4
    1450
    6678~13353
    1138~720
    1.5
    960
    4410~8845
    499~316
    7A
    11
    1450
    10602~21200
    1550~980
    6C
    15
    2240
    10310~20625
    2734~1730
    11
    2000
    9208~18418
    2178~1370
    7.5
    1800
    8280~16566
    1760~1110
    5.5
    1600
    7368~14730
    1389~880
    3
    1250
    5756~11510
    848~530
    2.2
    1000
    4603~9208
    540~343
    1.1
    800
    3683~7367
    348~221
    7C
    18.5
    1800
    13160~26322
    2395~1518
    15
    1600
    11690~23398
    1895~1189
    11
    1450
    10302~21205
    1558~980
    7.5
    1250
    9130~18289
    1157~730
    5.5
    1120
    8188~16368
    925~583
    4
    1000
    7310~14620
    736~466
    8C
    37
    1800
    28005~36428
    2925~2301
    30
    1800
    19645~25240
    3148~3036
    22
    1600
    17468~22437
    2477~2393
    11
    1250
    13640~25297
    1508~1100
    7.5
    1120
    12214~15700
    1209~1186
    5.5
    1000
    10910~14023
    963~909
    5.5
    900
    14051~18210
    720~502
    3
    800
    8702~16190
    625~450
    2.2
    710
    7739~11088
    483~420
    10C
    37
    1250
    34853~48787
    2370~1878
    30
    1120
    31207~43723
    1905~1405
    18.5
    1000
    27890~39030
    1510~1198
    15
    900
    25100~35133
    1220~960
    11
    800
    22302~31235
    957~766
    7.5
    710
    19801~27718
    781~598
    5.5
    630
    17572~24593
    609~465
    12C
    75
    1120
    53976~75553
    2756~2178
    55
    1000
    63956~67458
    1869~1723
    37
    900
    43377~60711
    1760~1390
    30
    800
    38553~53967
    1398~1104
    18.5
    710
    34217~47898
    1098~859
    15
    630
    30363~42491
    893~683
    11
    560
    31773~37778
    676~541
    7.5
    500
    24096~33727
    553~420