• VENTILATION EQUIPMENT 0057 VENTILATION EQUIPMENT 0057
    HVG MARINE VENTILATION EQUIPMENT 0057

    HVG MARINE VENTILATION EQUIPMENT 0057: Quạt thông gió ống dòng xiên SJG

    Các ứng dụng :

    Quạt thông gió ống xiên SJG được sử dụng rộng rãi trong các xí nghiệp công nghiệp và công nghiệp, khách sạn, nhà nghỉ, bảo tàng, thể thao và những nơi thông gió tòa nhà cao tầng khác.

    Ưu điểm:

    Không so sánh trong cùng một mặt phẳng, lưu lượng lớn hơn quạt ly tâm: tổng áp suất cao hơn quạt hướng trục, nhỏ hơn quạt ly tâm, hoạt động hiệu quả trên toàn huyện, tiếng ồn thấp, diện tích nhỏ, lắp đặt dễ dàng, v.v. Quạt không ảnh hưởng Cách bố trí đường ống và đường ống sao cho phù hợp nhất với áp suất thực và đường ống cung cấp và ống xả. Đặc biệt, diện tích nhỏ cho không gian thể hiện tính ưu việt của cấu trúc nhỏ gọn. Sản phẩm dòng JG được sử dụng rộng rãi trong các doanh nghiệp khai thác và công nghiệp, khách sạn, nhà hàng, bảo tàng, thể thao và những nơi thông gió tòa nhà cao tầng khác.

    Giải thích mô hình:

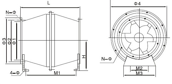
    Kết cấu :

    Technical specification:

    • Performance Parameter :
    Model Speed Air Flow Pressure Input

    Power

    Kg
    RPM m3/h Pa kW Kg
    3.0F 1450 500-2000 260-130 0.25 27
    3.0F 2900 980-3860 1000-500 1.1 46
    3.5F 960 800-2500 140-50 0.18 42
    3.5F 1450 1000-4000 320-110 0.37 45
    3.5F 2900 1900-7880 1100-430 2.2 65
    4.0F 960 1000-4000 190-51 0.25 61
    4.0F 1450 1500-5000 420-220 0.75 67
    4.5S 960 1500-5000 360-100 0.37 70
    4.5F 1450 2000-7000 580-250 1.1 80
    5.0S 960 1500-6000 360-150 0.75 90
    5.0F 1450 2000-10000 710-345 2.2 110
    6.0S 960 3000-11000 480-240 1.5 150
    6.0F 1450 4000-18000 1200-380 5.5 165