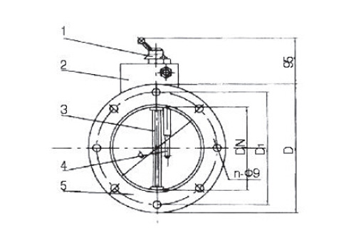
HVG MARINE VENTILATION EQUIPMENT 0047: Bộ giảm chấn lửa tròn
Ứng dụng:
Mô hình van điều tiết chữa cháy là hình tròn, được sử dụng rộng rãi trong hệ thống điều hòa không khí hoặc hệ thống thông gió để ngăn chặn đám cháy, Nó có thể được điều khiển bằng nhiệt độ, lợi dụng trọng lực và lò xo để đóng van. Trong tình huống hỏa hoạn, Nó có thể tự động ngăn chặn ngọn lửa hoặc khói khi hợp kim đã được nung chảy, Nhiệt độ nung chảy là 280 er Van điều tiết lửa sẽ mở bình thường
khi sử dụng khí nén và nguồn điện, và phải đóng khi mất khí nén hoặc nguồn điện .
Đặc tính:
1.Kết cấu thép không gỉ để ngăn lửa2 . tự động đóng van điều tiết
3. van điều tiết sẽ đóng khi nhiệt độ là 70 ℃
4.Nhiệt độ nung chảy là 280 ℃, nhưng có thể cung cấp 90 ℃, 110 ℃, 150..
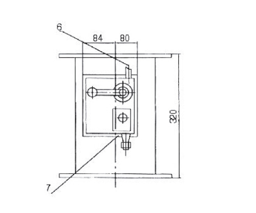
Bản vẽ quy trình:



